編輯:北京凌鷹起重 瀏覽:2905 時間:2022-01-20
傳動比大。單級傳動比在10~1000以上,二級傳動比可達10000。
(1)傳動比大。單級傳動比在10~1000以上,二級傳動比可達10000。
(2)承載能力大。由于少齒差內嚙合曲率半徑接近,齒形相差極小,嚙合時幾乎是全齒面接觸,齒面赫茲應力小。單偏心軸中心輸入改為多偏心軸輸入后,單個轉臂軸承變換為多個轉臂軸承分擔載荷,轉臂軸承的壽命可達2萬h。由多個外齒輪共同驅動內齒中心輪,載荷由多個外齒輪分擔,提高了整機的承載能力。瞬時過載能力突出,是額定載荷的2.7~4.0倍。輸出軸的轉矩高達400kNm。
(3)傳動效率高。同K-H-V型少齒差行星傳動相比,因省去了W輸出機構,且轉臂承受力僅為K-H-W型少齒差行星傳動轉臂承受力的60%。另外,內平動齒輪傳動的兩齒輪回轉方向相同,相對角速度小,使齒廓間的相對滑動速度減小,所以內平動齒輪傳動摩擦較輕。再者,由于主、從動齒輪的轉向相同,故潤滑油不會擠出,摩擦損失小。所以內平動齒輪傳動效率高,嚙合效率大于95%,整機效率在85%以上,且傳動裝置的效率將不隨傳動比的增大而降低,這是其他傳動裝置所不及的。
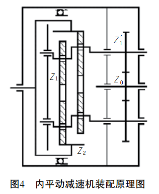
(4)結構緊湊、體積小、重量輕。沒有一般行星齒輪傳動的行星架和少齒差行星傳動的輸出機構,簡化了機構,保留了同軸線動軸傳動結構緊湊的特點。比普通齒輪減速器的重量相應減小1/3~2/3,比相同體積的擺線針輪減速器承載能力大40%。
(5)傳遞功率范圍大,可達1000W以上。
(6)應用范圍廣。可以與電機制成一體,可以與卷筒制成一體,也可以和制動器制成一體起到安全制動器的作用。
與國內先進傳動裝置相比,內平動齒輪傳動裝置性能優良,體積更小。
上一條: 如何提高風電葫蘆運行的穩定性?
下一條: 一種新型的環鏈電動葫蘆平衡結構介紹

